Leitersprosse Typ LSP 35

Merkmale

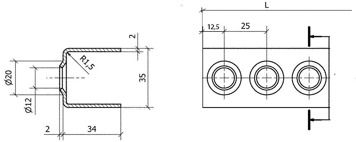
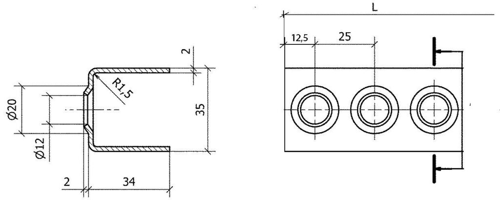
Lichtgitter bietet für die verschiedensten Anwendungsfälle spezielle Leitersprossen an, um in jedem Fall ein sicheres Besteigen von Leitern zu gewährleisten. Die spezielle Profilierung der Leitersprossen steht für eine hohe Rutschsicherheit. Die Leitersprossen können in Stahl, Edelstahl und Aluminium geliefert werden.

Ausführungen

Technische Daten

Material

Stahl S235
Edelstahl
Aluminium

Oberfläche

unbehandelt

Ausführungen

LSP 35

Länge

bis 2.000 mm

Skizze LSP 35:

Leitersprossen Typ LSP 35 aus unserem Lagerprogramm:

Typ

LSP 35
LSP 35
LSP 35
LSP 35

Material

Stahl
Edelstahl 1.4301
Edelstahl 1.4571
Aluminium

Länge

2.000 mm
2.000 mm
2.000 mm
2.000 mm
Downloads

Dokumente

Tailor-made oder standard - wir liefern ohne Umwege!

Lichtgitter Express Service.
Bestellt. Geliefert.

Gitterroste Tailor-Made. Wir liefern Ihnen Press- und Schweißpressroste in den gängigen Standardtypen in 6-8 Arbeitstagen und in max. 10 Arbeitstagen auch inklusive technischer Bearbeitung.

Design ohne Titel - 1

Umfangreiches Lagerprogramm
Jetzt im Lichtgitter Shop!

Wir verfügen über ein umfangreiches Lagerprogramm. Somit erhalten Sie Gitterroste, Gitterroststufen, Blechprofilroste und GFK-Produkte in gängigen Standardausführen und Abmessungen innerhalb von 48 Stunden.

Kontakt